Product

8575/8520

Артикул
8575/8520
Размеры
Бренд
URB | SKF
Страна бренда
УРБ - Румыния, СКФ — Евросоюз
Отправить заявку
Технические характеристики
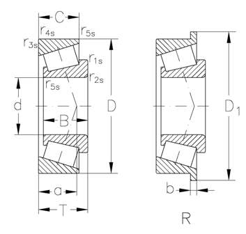
Внутренний диаметр
234.95 мм
Высота
52.388 мм
Y()
1.5
r3s r4s min.(mm)
3.3
oil(min1)
1200
Динамическая
468 КН
grease(min1)
850
kg ()
12.3
Внешний диаметр
327.025 мм
C (mm)
36.512
r1s r2s min.(mm)
6.4
T(mm)
52.388
"e ()"
0.41
"Y0 ()"
0.8
Статическая
934 КН