Product

LL641149/LL641110

Артикул
LL641149/LL641110
Размеры
Бренд
URB | SKF
Страна бренда
УРБ - Румыния, СКФ — Евросоюз
Отправить заявку
Технические характеристики
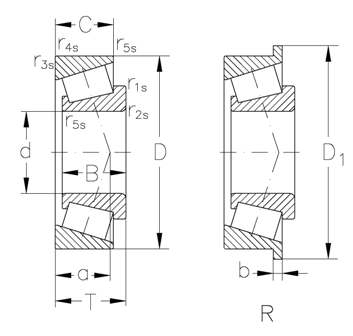
Внутренний диаметр
203.2 мм
Высота
27.783 мм
Y()
1.5
r3s r4s min.(mm)
1.5
oil(min1)
1500
Динамическая
174 КН
grease(min1)
1100
kg ()
3.56
Внешний диаметр
261.142 мм
C (mm)
21.433
r1s r2s min.(mm)
1.5
T(mm)
28.575
"e ()"
0.41
"Y0 ()"
0.8
Статическая
353 КН