Product

M224749/M224710

Артикул
M224749/M224710
Размеры
Бренд
URB | SKF
Страна бренда
УРБ - Румыния, СКФ — Евросоюз
Отправить заявку
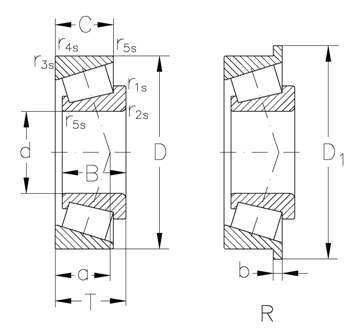
Технические характеристики
Внутренний диаметр
120.65 мм
Высота
36.512 мм
Y()
1.8
r3s r4s min.(mm)
1.5
oil(min1)
2400
Динамическая
220 КН
grease(min1)
1700
kg ()
2.7
Внешний диаметр
174.625 мм
C (mm)
27.783
r1s r2s min.(mm)
3.5
T(mm)
35.72
"e ()"
0.33
"Y0 ()"
1
Статическая
375 КН