Product

77362/77675

Артикул
77362/77675
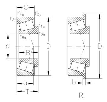
Размеры
Бренд
URB | SKF
Страна бренда
УРБ - Румыния, СКФ — Евросоюз
Отправить заявку
Технические характеристики
Внутренний диаметр
92.075 мм
Высота
48.26 мм
"e ()"
0.37
r3s r4s min.(mm)
3.3
grease(min1)
1900
Динамическая
305 КН
"Y0 ()"
0.9
oil(min1)
2600
Внешний диаметр
171.45 мм
C (mm)
38.1
r1s r2s min.(mm)
3.5
a(mm)
37
T(mm)
47.625
Y()
1.6
Статическая
416 КН
kg ()
4.79