Product

663/653

Артикул
663/653
Размеры
Бренд
URB | SKF
Страна бренда
УРБ - Румыния, СКФ — Евросоюз
Отправить заявку
Технические характеристики
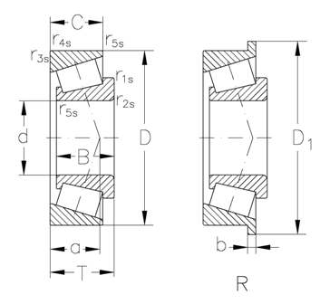
Внутренний диаметр
82.55 мм
Высота
41.275 мм
"e ()"
0.41
r3s r4s min.(mm)
3.3
grease(min1)
2200
Динамическая
201 КН
"Y0 ()"
0.8
oil(min1)
3000
Внешний диаметр
146.05 мм
C (mm)
31.75
r1s r2s min.(mm)
3.5
a(mm)
34
T(mm)
41.275
Y()
1.5
Статическая
286 КН
kg ()
3.73