Product

740/742

Артикул
740/742
Размеры
Бренд
URB | SKF
Страна бренда
УРБ - Румыния, СКФ — Евросоюз
Отправить заявку
Технические характеристики
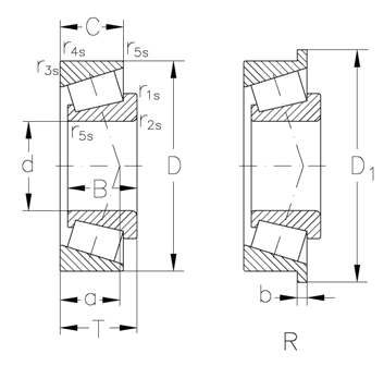
Внутренний диаметр
80.962 мм
Высота
46.672 мм
T(mm)
44.45
r3s r4s min.(mm)
3.3
"e ()"
0.33
Динамическая
294000 КН
grease(min1)
2400
kg ()
3.39
Внешний диаметр
150.089 мм
C (mm)
36.512
r1s r2s min.(mm)
5
oil(min1)
3200
Y()
1.84
"Y0 ()"
1.01
Статическая
417000 КН