Product

576/572

Артикул
576/572
Размеры
Бренд
URB | SKF
Страна бренда
УРБ - Румыния, СКФ — Евросоюз
Отправить заявку
Технические характеристики
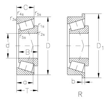
Внутренний диаметр
73.025 мм
Высота
36.098 мм
T(mm)
36.512
r3s r4s min.(mm)
3.3
"e ()"
0.4
Динамическая
191000 КН
grease(min1)
2600
kg ()
2.47
Внешний диаметр
139.992 мм
C (mm)
28.575
r1s r2s min.(mm)
3.5
oil(min1)
3400
Y()
1.49
"Y0 ()"
0.82
Статическая
292000 КН