Product

567/563

Артикул
567/563
Размеры
Бренд
URB | SKF
Страна бренда
УРБ - Румыния, СКФ — Евросоюз
Отправить заявку
Технические характеристики
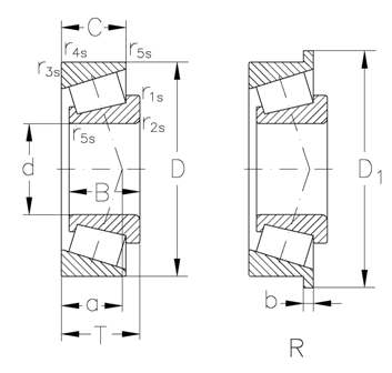
Внутренний диаметр
73.025 мм
Высота
36.17 мм
"e ()"
0.36
r3s r4s min.(mm)
3.3
grease(min1)
2400
Динамическая
161 КН
"Y0 ()"
0.9
oil(min1)
3400
Внешний диаметр
127 мм
C (mm)
28.575
r1s r2s min.(mm)
3.5
a(mm)
28
T(mm)
36.512
Y()
1.7
Статическая
226 КН
kg ()
2.68