Product

HM212049/HM212011

Артикул
HM212049/HM212011
Размеры
Бренд
URB | SKF
Страна бренда
УРБ - Румыния, СКФ — Евросоюз
Отправить заявку
Технические характеристики
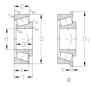
Внутренний диаметр
66.675 мм
Высота
38.354 мм
"e ()"
0.34
r3s r4s min.(mm)
3.3
grease(min1)
2600
Динамическая
189 КН
"Y0 ()"
1
oil(min1)
3800
Внешний диаметр
122.238 мм
C (mm)
29.718
r1s r2s min.(mm)
3.5
a(mm)
27
T(mm)
38.1
Y()
1.8
Статическая
248 КН
kg ()
1.92