Product

65237/65500B

Артикул
65237/65500B
Размеры
Бренд
URB | SKF
Страна бренда
УРБ - Румыния, СКФ — Евросоюз
Отправить заявку
Технические характеристики
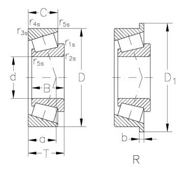
Внутренний диаметр
60.325 мм
Высота
44.45 мм
T(mm)
44.45
r3s r4s min.(mm)
3.3
"e ()"
0.49
Динамическая
225000 КН
grease(min1)
3100
kg ()
2.66
Внешний диаметр
127 мм
C (mm)
34.925
r1s r2s min.(mm)
3.6
oil(min1)
4200
Y()
1.23
"Y0 ()"
0.68
Статическая
297000 КН