Product

HM212044/HM212011

Артикул
HM212044/HM212011
Размеры
Бренд
URB | SKF
Страна бренда
УРБ - Румыния, СКФ — Евросоюз
Отправить заявку
Технические характеристики
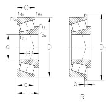
Внутренний диаметр
60.325 мм
Высота
38.354 мм
T(mm)
38.1
r3s r4s min.(mm)
3.3
"e ()"
0.34
Динамическая
209000 КН
grease(min1)
3100
kg ()
1.99
Внешний диаметр
122.238 мм
C (mm)
29.718
r1s r2s min.(mm)
8
oil(min1)
4100
Y()
1.78
"Y0 ()"
0.98
Статическая
279000 КН