Product

39581/39520

Артикул
39581/39520
Размеры
Бренд
URB | SKF
Страна бренда
УРБ - Румыния, СКФ — Евросоюз
Отправить заявку
Технические характеристики
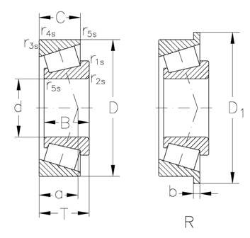
Внутренний диаметр
57.15 мм
Высота
30.162 мм
"e ()"
0.34
r3s r4s min.(mm)
3.3
grease(min1)
2800
Динамическая
130 КН
"Y0 ()"
1
oil(min1)
4000
Внешний диаметр
112.712 мм
C (mm)
23.812
r1s r2s min.(mm)
8
a(mm)
23
T(mm)
30.162
Y()
1.8
Статическая
196 КН
kg ()
1.03