Product

469/453A

Артикул
469/453A
Размеры
Бренд
URB | SKF
Страна бренда
УРБ - Румыния, СКФ — Евросоюз
Отправить заявку
Технические характеристики
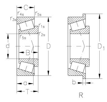
Внутренний диаметр
57.15 мм
Высота
29.317 мм
T(mm)
27.783
r3s r4s min.(mm)
0.8
"e ()"
0.34
Динамическая
126000 КН
grease(min1)
3500
kg ()
1.09
Внешний диаметр
107.95 мм
C (mm)
22.225
r1s r2s min.(mm)
3.5
oil(min1)
4700
Y()
1.79
"Y0 ()"
1
Статическая
166000 КН