Product

45291/45220

Артикул
45291/45220
Размеры
Бренд
URB | SKF
Страна бренда
УРБ - Румыния, СКФ — Евросоюз
Отправить заявку
Технические характеристики
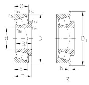
Внутренний диаметр
57.15 мм
Высота
30.958 мм
T(mm)
30.162
r3s r4s min.(mm)
3.3
"e ()"
0.33
Динамическая
142000 КН
grease(min1)
3000
kg ()
1.06
Внешний диаметр
104.775 мм
C (mm)
23.812
r1s r2s min.(mm)
6.4
oil(min1)
4300
Y()
1.8
"Y0 ()"
1
Статическая
189000 КН