Product

462A/453 X

Артикул
462A/453 X
Размеры
Бренд
URB | SKF
Страна бренда
УРБ - Румыния, СКФ — Евросоюз
Отправить заявку
Технические характеристики
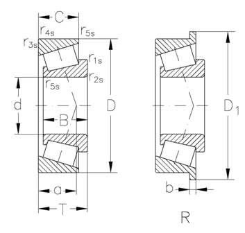
Внутренний диаметр
57.15 мм
Высота
29.317 мм
"e ()"
0.34
r3s r4s min.(mm)
3.3
grease(min1)
3000
Динамическая
97.8 КН
"Y0 ()"
1
oil(min1)
4500
Внешний диаметр
104.775 мм
C (mm)
24.605
r1s r2s min.(mm)
2.3
a(mm)
23
T(mm)
30.162
Y()
1.8
Статическая
134 КН
kg ()
1.1