Product

72212/72487 R

Артикул
72212/72487 R
Размеры
Бренд
URB | SKF
Страна бренда
УРБ - Румыния, СКФ — Евросоюз
Отправить заявку
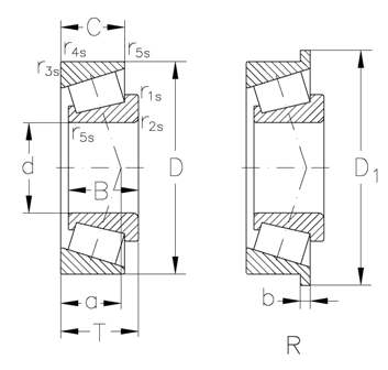
Технические характеристики
Внутренний диаметр
53.975 мм
Высота
32.791 мм
T(mm)
17.462
r3s r4s min.(mm)
3.3
b(mm)
6.35
Динамическая
143 КН
Y()
0.8
"Y0 ()"
0.4
oil(min1)
4000
Внешний диаметр
123.825 мм
C (mm)
25.4
r1s r2s min.(mm)
3.5
D1(mm)
130.073
a(mm)
37
"e ()"
0.74
Статическая
162 КН
grease(min1)
2800
kg ()
2.1