Product

72212C/72487

Артикул
72212C/72487
Размеры
Бренд
URB | SKF
Страна бренда
УРБ - Румыния, СКФ — Евросоюз
Отправить заявку
Технические характеристики
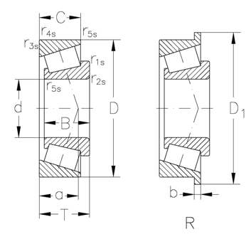
Внутренний диаметр
53.975 мм
Высота
32.79 мм
T(mm)
36.512
r3s r4s min.(mm)
3.3
"e ()"
0.74
Динамическая
167000 КН
grease(min1)
2900
kg ()
2.12
Внешний диаметр
123.825 мм
C (mm)
25.4
r1s r2s min.(mm)
3.5
oil(min1)
3900
Y()
0.81
"Y0 ()"
0.45
Статическая
208000 КН