Product

HM807046/HM807010

Артикул
HM807046/HM807010
Размеры
Бренд
URB | SKF
Страна бренда
УРБ - Румыния, СКФ — Евросоюз
Отправить заявку
Технические характеристики
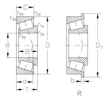
Внутренний диаметр
50.8 мм
Высота
36.512 мм
T(mm)
36.512
r3s r4s min.(mm)
3.3
"e ()"
0.49
Динамическая
159000 КН
grease(min1)
3600
kg ()
1.49
Внешний диаметр
104.775 мм
C (mm)
28.575
r1s r2s min.(mm)
3.5
oil(min1)
4800
Y()
1.23
"Y0 ()"
0.68
Статическая
223000 КН