Product

28678/28622 R

Артикул
28678/28622 R
Размеры
Бренд
URB | SKF
Страна бренда
УРБ - Румыния, СКФ — Евросоюз
Отправить заявку
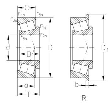
Технические характеристики
Внутренний диаметр
50.8 мм
Высота
24.608 мм
T(mm)
9.124
r3s r4s min.(mm)
0.8
b(mm)
3.962
Динамическая
102 КН
Y()
1.8
"Y0 ()"
1
oil(min1)
4800
Внешний диаметр
97.63 мм
C (mm)
19.446
r1s r2s min.(mm)
3.5
D1(mm)
101.549
a(mm)
21
"e ()"
0.33
Статическая
135 КН
grease(min1)
3400
kg ()
0.86