Product

33889/33822

Артикул
33889/33822
Размеры
Бренд
URB | SKF
Страна бренда
УРБ - Румыния, СКФ — Евросоюз
Отправить заявку
Технические характеристики
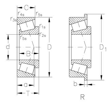
Внутренний диаметр
50.8 мм
Высота
28.575 мм
"e ()"
0.38
r3s r4s min.(mm)
0.8
grease(min1)
3400
Динамическая
71 КН
"Y0 ()"
0.9
oil(min1)
4800
Внешний диаметр
92.25 мм
C (mm)
22.225
r1s r2s min.(mm)
3.5
a(mm)
20
T(mm)
27.783
Y()
1.6
Статическая
103 КН
kg ()
0.69