Product

LM104949/LM104911

Артикул
LM104949/LM104911
Размеры
Бренд
URB | SKF
Страна бренда
УРБ - Румыния, СКФ — Евросоюз
Отправить заявку
Технические характеристики
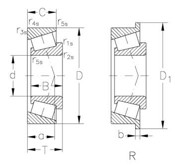
Внутренний диаметр
50.8 мм
Высота
22.225 мм
"e ()"
0.32
r3s r4s min.(mm)
1.3
grease(min1)
3400
Динамическая
74.3 КН
"Y0 ()"
1
oil(min1)
5000
Внешний диаметр
82.55 мм
C (mm)
16.51
r1s r2s min.(mm)
3.5
a(mm)
16
T(mm)
21.59
Y()
1.9
Статическая
87.26 КН
kg ()
554