Product

365/362 R

Артикул
365/362 R
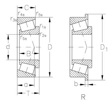
Размеры
Бренд
URB | SKF
Страна бренда
УРБ - Румыния, СКФ — Евросоюз
Отправить заявку
Технические характеристики
Внутренний диаметр
50 мм
Высота
22.225 мм
T(mm)
8.887
r3s r4s min.(mm)
0.8
Динамическая
98 КН
Y()
1.8
"Y0 ()"
1
oil(min1)
5000
D1(mm)
94.661
Внешний диаметр
90 мм
C (mm)
15.875
r1s r2s min.(mm)
2
a(mm)
16
"e ()"
0.34
Статическая
128 КН
grease(min1)
3400
kg ()
905
b(mm)
4.762