Product

JLM104948/JLM104910

Артикул
JLM104948/JLM104910
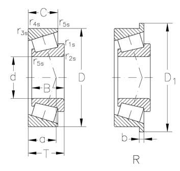
Размеры
Бренд
URB | SKF
Страна бренда
УРБ - Румыния, СКФ — Евросоюз
Отправить заявку
Технические характеристики
Внутренний диаметр
50 мм
Высота
21.5 мм
T(mm)
21.5
r3s r4s min.(mm)
0.5
"e ()"
0.31
Динамическая
75200 КН
grease(min1)
4300
kg ()
0.41
Внешний диаметр
82 мм
C (mm)
17
r1s r2s min.(mm)
3
oil(min1)
5700
Y()
1.97
"Y0 ()"
1.08
Статическая
104000 КН