Product

3779/3730

Артикул
3779/3730
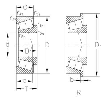
Размеры
Бренд
URB | SKF
Страна бренда
УРБ - Румыния, СКФ — Евросоюз
Отправить заявку
Технические характеристики
Внутренний диаметр
47.625 мм
Высота
30.302 мм
"e ()"
0.35
r3s r4s min.(mm)
0.8
grease(min1)
3800
Динамическая
68.3 КН
"Y0 ()"
1
oil(min1)
5300
Внешний диаметр
93.264 мм
C (mm)
23.812
r1s r2s min.(mm)
3.5
a(mm)
21
T(mm)
30.162
Y()
1.7
Статическая
97 КН
kg ()
0.6