Product

25590/25523

Артикул
25590/25523
Размеры
Бренд
URB | SKF
Страна бренда
УРБ - Румыния, СКФ — Евросоюз
Отправить заявку
Технические характеристики
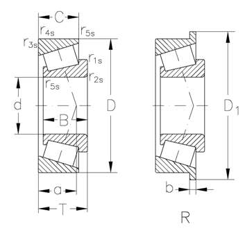
Внутренний диаметр
45.618 мм
Высота
25.4 мм
"e ()"
0.33
r3s r4s min.(mm)
2.3
grease(min1)
3800
Динамическая
70 КН
"Y0 ()"
1
oil(min1)
5300
Внешний диаметр
82.931 мм
C (mm)
22.225
r1s r2s min.(mm)
3.5
a(mm)
19
T(mm)
26.988
Y()
1.8
Статическая
95.2 КН
kg ()
0.55