Product

25590/25520

Артикул
25590/25520
Размеры
Бренд
URB | SKF
Страна бренда
УРБ - Румыния, СКФ — Евросоюз
Отправить заявку
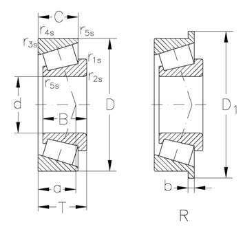
Технические характеристики
Внутренний диаметр
45.618 мм
Высота
25.4 мм
"e ()"
0.31
r3s r4s min.(mm)
0.8
grease(min1)
4000
Динамическая
48.5 КН
"Y0 ()"
1.1
oil(min1)
6000
Внешний диаметр
82.931 мм
C (mm)
19.05
r1s r2s min.(mm)
3.5
a(mm)
18
T(mm)
23.812
Y()
2
Статическая
66.4 КН
kg ()
0.3