Product

L102849/L102810

Артикул
L102849/L102810
Размеры
Бренд
URB | SKF
Страна бренда
УРБ - Румыния, СКФ — Евросоюз
Отправить заявку
Технические характеристики
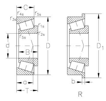
Внутренний диаметр
44.45 мм
Высота
18.258 мм
"e ()"
0.32
r3s r4s min.(mm)
1.5
grease(min1)
4300
Динамическая
47 КН
"Y0 ()"
1
oil(min1)
6000
Внешний диаметр
73.025 мм
C (mm)
15.083
r1s r2s min.(mm)
1.5
a(mm)
14
T(mm)
18.258
Y()
1.9
Статическая
68.9 КН
kg ()
0.3