Product

LM300849/LM300811

Артикул
LM300849/LM300811
Размеры
Бренд
URB | SKF
Страна бренда
УРБ - Румыния, СКФ — Евросоюз
Отправить заявку
Технические характеристики
Внутренний диаметр
40.988 мм
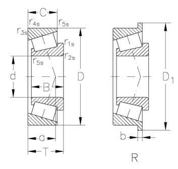
Высота
18 мм
T(mm)
17.5
r3s r4s min.(mm)
3.5
"e ()"
0.35
Динамическая
46100 КН
grease(min1)
5300
kg ()
0.23
Внешний диаметр
67.975 мм
C (mm)
13.5
r1s r2s min.(mm)
1.5
oil(min1)
7000
Y()
1.72
"Y0 ()"
0.95
Статическая
63500 КН