Product

14136A/14276

Артикул
14136A/14276
Размеры
Бренд
URB | SKF
Страна бренда
УРБ - Румыния, СКФ — Евросоюз
Отправить заявку
Технические характеристики
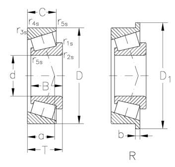
Внутренний диаметр
34.925 мм
Высота
26.721 мм
T(mm)
26.982
r3s r4s min.(mm)
1.3
"e ()"
0.38
Динамическая
50600 КН
grease(min1)
5600
kg ()
0.36
Внешний диаметр
69.012 мм
C (mm)
15.875
r1s r2s min.(mm)
0.8
oil(min1)
7400
Y()
1.57
"Y0 ()"
0.86
Статическая
61700 КН