Product

HM89443/HM89410

Артикул
HM89443/HM89410
Размеры
Бренд
URB | SKF
Страна бренда
УРБ - Румыния, СКФ — Евросоюз
Отправить заявку
Технические характеристики
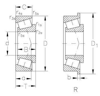
Внутренний диаметр
33.338 мм
Высота
28.575 мм
T(mm)
29.37
r3s r4s min.(mm)
3.3
"e ()"
0.55
Динамическая
86200 КН
grease(min1)
5100
kg ()
0.66
Внешний диаметр
76.2 мм
C (mm)
23.02
r1s r2s min.(mm)
0.8
oil(min1)
6800
Y()
1.1
"Y0 ()"
0.6
Статическая
119000 КН