Product

M88048/M88010

Артикул
M88048/M88010
Размеры
Бренд
URB | SKF
Страна бренда
УРБ - Румыния, СКФ — Евросоюз
Отправить заявку
Технические характеристики
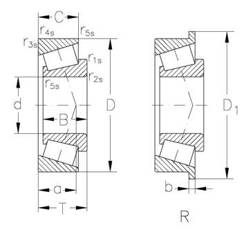
Внутренний диаметр
33.338 мм
Высота
22.225 мм
T(mm)
22.225
r3s r4s min.(mm)
1.5
"e ()"
0.55
Динамическая
59600 КН
grease(min1)
5700
kg ()
0.37
Внешний диаметр
68.262 мм
C (mm)
17.462
r1s r2s min.(mm)
0.8
oil(min1)
7500
Y()
1.1
"Y0 ()"
0.6
Статическая
77400 КН