Product

07097/07196

Артикул
07097/07196
Размеры
Бренд
URB | SKF
Страна бренда
УРБ - Румыния, СКФ — Евросоюз
Отправить заявку
Технические характеристики
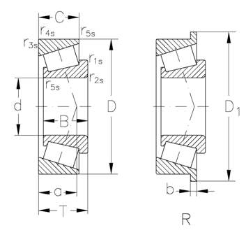
Внутренний диаметр
25.4 мм
Высота
14.26 мм
T(mm)
13.495
r3s r4s min.(mm)
1
"e ()"
0.4
Динамическая
27000 КН
grease(min1)
6300
kg ()
0.11
Внешний диаметр
50.005 мм
C (mm)
9.525
r1s r2s min.(mm)
1
oil(min1)
9000
Y()
1.5
"Y0 ()"
0.8
Статическая
29600 КН