Product

LM11949/LM11910

Артикул
LM11949/LM11910
Размеры
Бренд
URB | SKF
Страна бренда
УРБ - Румыния, СКФ — Евросоюз
Отправить заявку
Технические характеристики
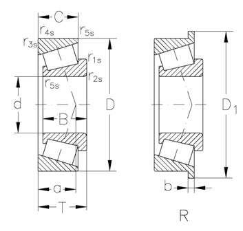
Внутренний диаметр
19.05 мм
Высота
16.637 мм
"e ()"
0.3
r3s r4s min.(mm)
1.3
grease(min1)
7500
Динамическая
25.5 КН
"Y0 ()"
1.1
oil(min1)
11000
Внешний диаметр
45.237 мм
C (mm)
12.065
r1s r2s min.(mm)
1.3
a(mm)
10
T(mm)
15.494
Y()
2
Статическая
25.104 КН
kg ()
123