Product

8578/8520 R

Articol
8578/8520 R
Dimensiuni
Brand
URB | SKF
Țara de origine
URB - România, SKF - Uniunea Europeană
Trimite solicitare
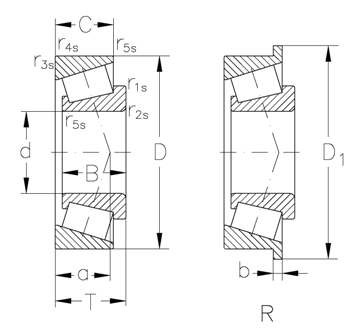
Specificații
Diametru interior
241.3 mm
Înalțimea
52.388 mm
"e ()"
0.41
r3s r4s min.(mm)
3.3
"Y0 ()"
0.8
Dinamic
468 KN
b(mm)
9.525
grease(min1)
850
kg ()
11.9
Diametru exterior
327.025 mm
C (mm)
36.512
r1s r2s min.(mm)
6.4
D1(mm)
336.448
T(mm)
25.4
Y()
1.5
Static
934 KN
oil(min1)
1200