Product

67989/67920

Articol
67989/67920
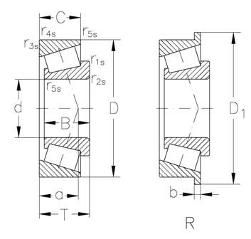
Dimensiuni
Brand
URB | SKF
Țara de origine
URB - România, SKF - Uniunea Europeană
Trimite solicitare
Specificații
Diametru interior
209.55 mm
Înalțimea
46.038 mm
Y()
1.2
r3s r4s min.(mm)
3.3
oil(min1)
1400
Dinamic
331 KN
grease(min1)
1000
kg ()
8.84
Diametru exterior
282.575 mm
C (mm)
36.512
r1s r2s min.(mm)
3.5
T(mm)
46.038
"e ()"
0.51
"Y0 ()"
0.6
Static
661 KN