Product

46780/46720

Articol
46780/46720
Dimensiuni
Brand
URB | SKF
Țara de origine
URB - România, SKF - Uniunea Europeană
Trimite solicitare
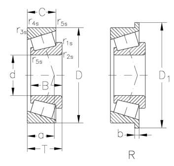
Specificații
Diametru interior
158.75 mm
Înalțimea
39.688 mm
Y()
1.6
r3s r4s min.(mm)
3.3
oil(min1)
1800
Dinamic
305 KN
grease(min1)
1300
kg ()
5.35
Diametru exterior
225.425 mm
C (mm)
33.338
r1s r2s min.(mm)
3.5
T(mm)
41.275
"e ()"
0.38
"Y0 ()"
0.9
Static
541 KN