Product

665A/653

Articol
665A/653
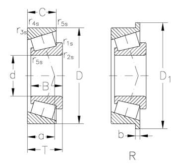
Dimensiuni
Brand
URB | SKF
Țara de origine
URB - România, SKF - Uniunea Europeană
Trimite solicitare
Specificații
Diametru interior
85.725 mm
Înalțimea
41.275 mm
"e ()"
0.41
r3s r4s min.(mm)
3.3
grease(min1)
2200
Dinamic
213 KN
"Y0 ()"
0.8
oil(min1)
3000
Diametru exterior
146.05 mm
C (mm)
31.75
r1s r2s min.(mm)
6.4
a(mm)
34
T(mm)
41.275
Y()
1.5
Static
307 KN
kg ()
2.6