Product

34306/34472 X

Articol
34306/34472 X
Dimensiuni
Brand
URB | SKF
Țara de origine
URB - România, SKF - Uniunea Europeană
Trimite solicitare
Specificații
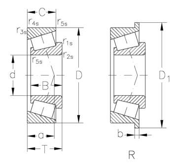
Diametru interior
77.788 mm
Înalțimea
23.012 mm
"e ()"
0.45
r3s r4s min.(mm)
2.3
grease(min1)
2400
Dinamic
84.91 KN
"Y0 ()"
0.7
oil(min1)
3600
Diametru exterior
120 mm
C (mm)
16
r1s r2s min.(mm)
3.5
a(mm)
24
T(mm)
34306/34472 X
Y()
1.3
Static
117 KN
kg ()
836