Product

6576/6535

Articol
6576/6535
Dimensiuni
Brand
URB | SKF
Țara de origine
URB - România, SKF - Uniunea Europeană
Trimite solicitare
Specificații
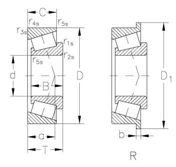
Diametru interior
76.2 mm
Înalțimea
55.1 mm
"e ()"
0.4
r3s r4s min.(mm)
3.3
grease(min1)
2000
Dinamic
327 KN
"Y0 ()"
0.8
oil(min1)
3000
Diametru exterior
161.925 mm
C (mm)
42.862
r1s r2s min.(mm)
3.5
a(mm)
40
T(mm)
53.975
Y()
1.5
Static
448 KN
kg ()
5.37