Product

748S/742

Articol
748S/742
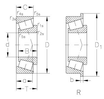
Dimensiuni
Brand
URB | SKF
Țara de origine
URB - România, SKF - Uniunea Europeană
Trimite solicitare
Specificații
Diametru interior
76.2 mm
Înalțimea
46.672 mm
T(mm)
44.45
r3s r4s min.(mm)
3.3
"e ()"
0.33
Dinamic
294000 KN
grease(min1)
2400
kg ()
3.62
Diametru exterior
150.089 mm
C (mm)
36.512
r1s r2s min.(mm)
3.5
oil(min1)
3200
Y()
1.84
"Y0 ()"
1.01
Static
417000 KN