Product

657/653

Articol
657/653
Dimensiuni
Brand
URB | SKF
Țara de origine
URB - România, SKF - Uniunea Europeană
Trimite solicitare
Specificații
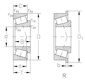
Diametru interior
73.025 mm
Înalțimea
41.275 mm
"e ()"
0.41
r3s r4s min.(mm)
3.3
grease(min1)
2200
Dinamic
213 KN
"Y0 ()"
0.8
oil(min1)
3200
Diametru exterior
146.05 mm
C (mm)
31.75
r1s r2s min.(mm)
3.5
a(mm)
34
T(mm)
41.275
Y()
1.5
Static
307 KN
kg ()
3.31