Product

H715345/H715311

Articol
H715345/H715311
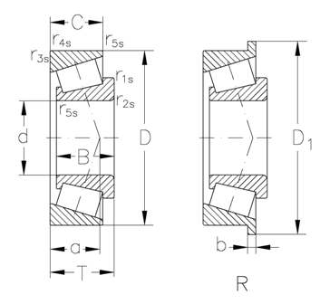
Dimensiuni
Brand
URB | SKF
Țara de origine
URB - România, SKF - Uniunea Europeană
Trimite solicitare
Specificații
Diametru interior
71.438 mm
Înalțimea
46.038 mm
"e ()"
0.48
r3s r4s min.(mm)
3.3
grease(min1)
2400
Dinamic
219 KN
"Y0 ()"
0.7
oil(min1)
3400
Diametru exterior
136.525 mm
C (mm)
36.512
r1s r2s min.(mm)
3.5
a(mm)
38
T(mm)
46.038
Y()
1.2
Static
296 KN
kg ()
2.91