Product

567A/563

Articol
567A/563
Dimensiuni
Brand
URB | SKF
Țara de origine
URB - România, SKF - Uniunea Europeană
Trimite solicitare
Specificații
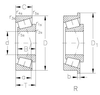
Diametru interior
71.438 mm
Înalțimea
36.17 mm
"e ()"
0.36
r3s r4s min.(mm)
3.3
grease(min1)
2400
Dinamic
161 KN
"Y0 ()"
0.9
oil(min1)
3600
Diametru exterior
127 mm
C (mm)
28.575
r1s r2s min.(mm)
3.5
a(mm)
28
T(mm)
36.512
Y()
1.7
Static
226 KN
kg ()
1.64