Product

47490/47420

Articol
47490/47420
Dimensiuni
Brand
URB | SKF
Țara de origine
URB - România, SKF - Uniunea Europeană
Trimite solicitare
Specificații
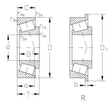
Diametru interior
71.438 mm
Înalțimea
32.545 mm
T(mm)
32.545
r3s r4s min.(mm)
3.3
"e ()"
0.36
Dinamic
166000 KN
grease(min1)
3000
kg ()
1.41
Diametru exterior
120 mm
C (mm)
26.195
r1s r2s min.(mm)
3.5
oil(min1)
4000
Y()
1.67
"Y0 ()"
0.9
Static
249000 KN