Product

JLM813049/JLM813010

Articol
JLM813049/JLM813010
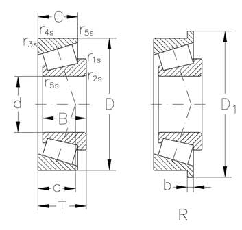
Dimensiuni
Brand
URB | SKF
Țara de origine
URB - România, SKF - Uniunea Europeană
Trimite solicitare
Specificații
Diametru interior
70 mm
Înalțimea
25 mm
T(mm)
26
r3s r4s min.(mm)
2.5
"e ()"
0.49
Dinamic
106000 KN
grease(min1)
3200
kg ()
0.88
Diametru exterior
110 mm
C (mm)
20.5
r1s r2s min.(mm)
1
oil(min1)
4200
Y()
1.23
"Y0 ()"
0.68
Static
168000 KN