Product

X3962/X3963

Articol
X3962/X3963
Dimensiuni
Brand
URB | SKF
Țara de origine
URB - România, SKF - Uniunea Europeană
Trimite solicitare
Specificații
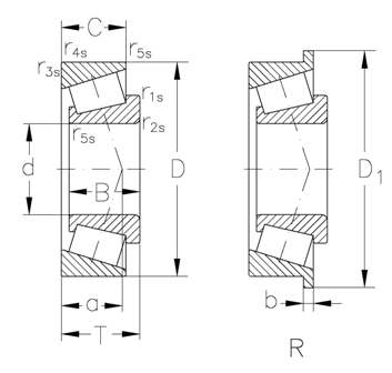
Diametru interior
63.5 mm
Înalțimea
38.43 mm
"e ()"
0.34
r3s r4s min.(mm)
2
grease(min1)
2600
"Y0 ()"
1
oil(min1)
3800
dyn. Cr(KN)
189
Diametru exterior
122.238 mm
C (mm)
29.77
r1s r2s min.(mm)
3.5
a(mm)
27
T(mm)
38.305
Y()
1.8
kg ()
2.03
stat. C0r(KN)
248