Product

483/472 A

Articol
483/472 A
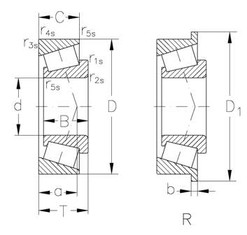
Dimensiuni
Brand
URB | SKF
Țara de origine
URB - România, SKF - Uniunea Europeană
Trimite solicitare
Specificații
Diametru interior
63.5 mm
Înalțimea
29.007 mm
"e ()"
0.38
r3s r4s min.(mm)
3.3
grease(min1)
2600
Dinamic
133 KN
"Y0 ()"
0.9
oil(min1)
3800
Diametru exterior
120 mm
C (mm)
23.444
r1s r2s min.(mm)
3.5
a(mm)
26
T(mm)
29.007
Y()
1.6
Static
167 KN
kg ()
1.44