Product

3982/3920 R

Articol
3982/3920 R
Dimensiuni
Brand
URB | SKF
Țara de origine
URB - România, SKF - Uniunea Europeană
Trimite solicitare
Specificații
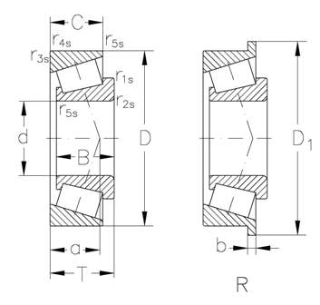
Diametru interior
63.5 mm
Înalțimea
30.048 mm
T(mm)
11.112
r3s r4s min.(mm)
3.3
b(mm)
4.762
Dinamic
116 KN
Y()
1.5
"Y0 ()"
0.8
oil(min1)
4000
Diametru exterior
112.712 mm
C (mm)
23.812
r1s r2s min.(mm)
3.5
D1(mm)
117.373
a(mm)
25
"e ()"
0.4
Static
174 KN
grease(min1)
2800
kg ()
1.26