Product

L610549/L610510

Articol
L610549/L610510
Dimensiuni
Brand
URB | SKF
Țara de origine
URB - România, SKF - Uniunea Europeană
Trimite solicitare
Specificații
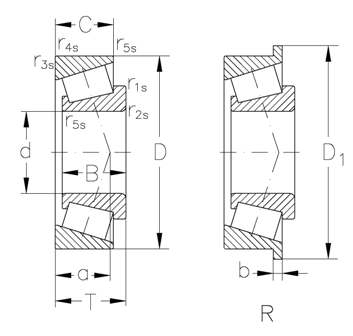
Diametru interior
63.5 mm
Înalțimea
19.05 mm
T(mm)
19.05
r3s r4s min.(mm)
1.5
"e ()"
0.42
Dinamic
62000 KN
grease(min1)
3600
kg ()
0.45
Diametru exterior
94.458 mm
C (mm)
15.083
r1s r2s min.(mm)
1.5
oil(min1)
4800
Y()
1.41
"Y0 ()"
0.78
Static
108000 KN