Product

HM807044/HM807010

Articol
HM807044/HM807010
Dimensiuni
Brand
URB | SKF
Țara de origine
URB - România, SKF - Uniunea Europeană
Trimite solicitare
Specificații
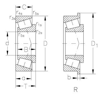
Diametru interior
49.212 mm
Înalțimea
36.512 mm
T(mm)
36.512
r3s r4s min.(mm)
3.3
"e ()"
0.49
Dinamic
159000 KN
grease(min1)
3600
kg ()
1.52
Diametru exterior
104.775 mm
C (mm)
28.575
r1s r2s min.(mm)
3.5
oil(min1)
4800
Y()
1.23
"Y0 ()"
0.68
Static
223000 KN